概述
XJC-1/3沖擊繼電器是用于電力系統直流操作的繼電保護及控制回路中,作為集中信號的主要元件。采用靜態集成電路,適用于不同中央信號接線方式,不論接于電源的正端或負端,均無須設置跨線,功耗很小,不需要外附電阻。
XJC-1/3型號及含義
主要特點
■采用靜態集成電路,具有抗干擾能力強,特殊電路設計消除了電源諧波干擾。
■內部具有自動返回和延時動作,延時復歸等三功能可自行選用。
■所有光示牌均可通用、混用。
■預警通用,+、-復歸通用。
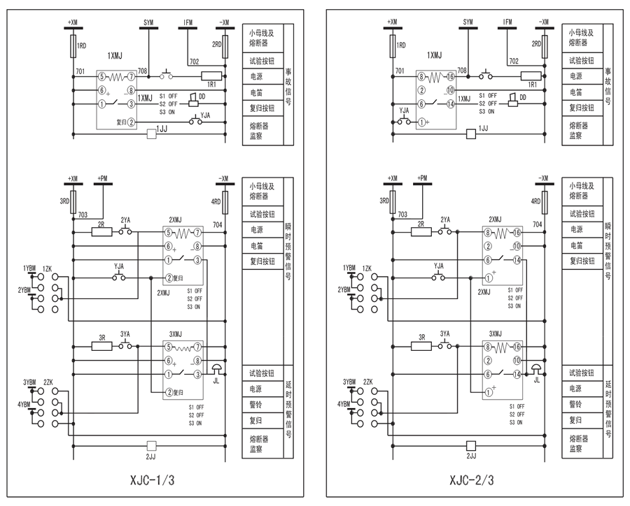
接線圖
XJC-1/3相關技術參數
型號 |
額定電壓 |
較小動作電流 |
較大動作電流 |
較大功耗 |
XJC-1/1 |
24V、48V、110V、220V |
0.010A |
2A |
2.4+3.3W |
XJC-1/3 |
24V、48V、110V、220V |
0.010A |
2A |
2.4+3.3W |
XJC-2/3 |
24V、48V、110V、220V |
0.010A |
3.2A |
1.5+3.3W |
XJC-3/3 |
24V、48V、110V、220V |
0.010A |
2A |
2.4+3.3W |
XJC-4/3 |
24V、48V、110V、220V |
0.010A |
2A |
2.4+3.3W |
XJC-4/3 |
24V、48V、110V、220V |
0.010A |
2A |
2.4+3.3W |
XJC-1/3工作原理

靜態沖擊繼電器解決了傳統的電流微分原理而采用電流幅值在報警整個周期內智能比較的方法,具有記憶特性,比較報警電流來到時刻前后電流的幅值,如果有長信號與短信號重疊,在預告信號延時期間內,只要長信號不返回,保證正確報警,長信號不會被短信號清除。內附有延時預告信號的延時時間元件和報警定時時間元件,可省去外部的兩只時間繼電器,在音響報警時,除手動復歸音響外,經定時回路自動解除音響。此外,對白熾燈光字牌燈絲冷熱電阻的變化、電源紋波以及觸點抖動的影響均能有較強的抑制能力,保證沖擊繼電器的正確動作。
企業實拍
主要特點
嵌入式插拔結構
凸出式插拔結構